About Us

Products

Contact

Literature Request

Projects

Home

Back

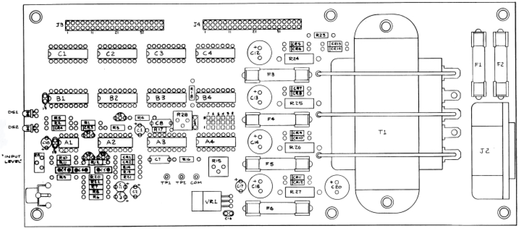
SSC-02

Small Show Controller

SSC Small Show Controller

Low Cost Show Playback Unit

The SSC is designed to control up to 28 digital valves directly for small show applications. The SSC has it's own 24VDC power supply and is setup to mount easily into your enclosure.

Technical Specifications